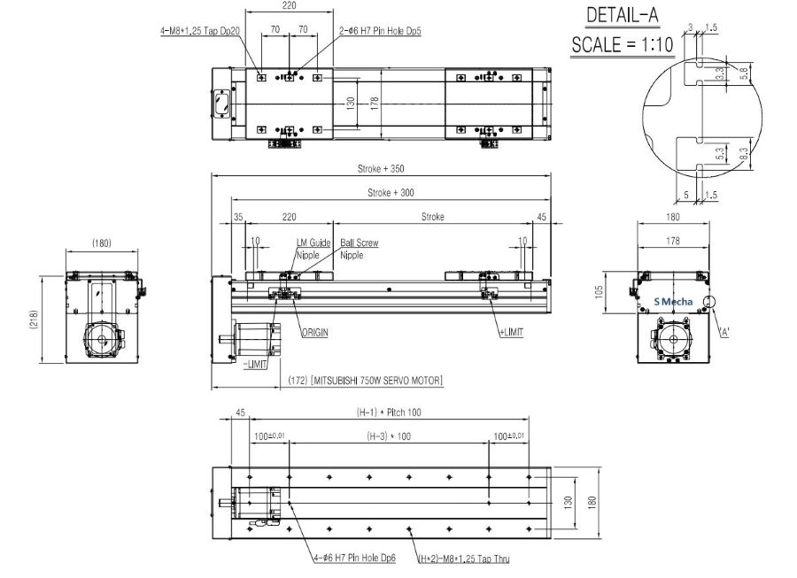
Clean Robot / Robot đơn trục dùng trong phòng sạch SMC180-PL series

Đánh giá sản phẩm
Liên hệ
Thương hiệu: Smecha
Tình trạng: Còn hàng

Các nội dung Hướng dẫn mua hàng viết ở đây
Giao hàng toàn quốc

Giao hàng toàn quốc

Thời gian giao hàng từ 1-4 tuần
Bảo đảm chất lượng

Bảo đảm chất lượng

Sản phẩm bảo đảm chất lượng.
 Hỗ trợ 24/7

Hỗ trợ 24/7

Hotline: 0985420358
Sản phẩm chính hãng

Sản phẩm chính hãng

Sản phẩm nhập khẩu chính hãng

Sản phẩm bạn đã xem

popup

Số lượng:

Tổng tiền:

Xin chào
close nav